((stm32f103CBTx ๊ธฐ์ค ์์ฑ ))
ARM Cortex-M3 ์์คํ
ํ๋ก๊ทธ๋๋ฐ ์์ ์ ๋ณต 1 - p.181 ์์,,

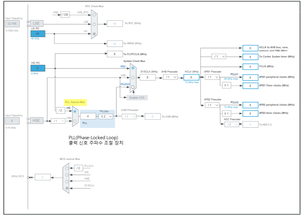
USB๋ฅผ ์ํ 48 MHz Clock์ main PLL์์ ์์ฑ๋๋๋ฐ ์ด๋ฅผ ์ํ clock source๋ ๋ฐ๋์ HSE crystal oscillator๋ฅผ ์ฌ์ฉํด์ผ๋ง ํ๋ค.

HSE : ์ธ๋ถ ํด๋ญ
HSI : ๋ด๋ถ ํด๋ญ
((์ ๊ทธ๋ฆผ์์ HSI๊ฐ ๋ค์ด๊ฐ๋ฉด ์๋ ํ
๋ฐ ์ ๋ค์ด๊ฐ๊ฑฐ์ง,,,))
๋ด๋ถ ํด๋ญ๋ ์ฌ์ฉํ ์ ์๊ธด ํ์ง๋ง ์ ํ๋๊ฐ ๋จ์ด์ง๋ค
'F๐ปW > ๊ทธ ์ธ' ์นดํ ๊ณ ๋ฆฌ์ ๋ค๋ฅธ ๊ธ
| DMA - Dynamic Memory Access (MSP Init) (0) | 2023.06.30 |
|---|---|
| GPIO MODE์ ์ข ๋ฅ์ ์ค๋ช (0) | 2023.06.26 |
| IAR ํ๋ก์ ํธ ์์ฑ ํ ์ด๊ธฐ ์ค์ (0) | 2023.02.21 |
| NXP์ฌ NCF3320์ ํ ์กฐ์ฌ (0) | 2022.10.24 |
| RFID ์์คํ ์ ๋ฆฌ (0) | 2022.10.07 |
| ๋๊ธฐ / ๋น๋๊ธฐ / UART / I2C / I2S / SPI (2) | 2022.10.06 |